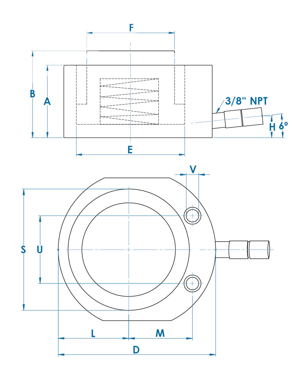
• Cilindros extraplanos para trabajos en espacios
reducidos.
• Con dos caras paralelas para
trabajar en posición
horizontal.
•
Orificios de montaje pasantes que permiten su
fijación.
• Tratamiento de nitruración en todas
las piezas del
cilindro que evitan la corrosión
y aumenta la
resistencia al desgaste
• Equipados con rascador en el pistón que reduce la
contaminación y alarga la vida del cilindro.
•
Pistones con extremos acanalados que no requieren de
silleta.
• Enchufe rápido hembra de gran caudal
con guardapolvo de serie en todos los modelos.
•
Carreras superiores bajo demanda.
Esta web utiliza cookies para que podamos ofrecerte la mejor experiencia de usuario posible. La información de las cookies se almacena en tu navegador y realiza funciones tales como reconocerte cuando vuelves a nuestra web o ayudar a nuestro equipo a comprender qué secciones de la web encuentras más interesantes y útiles.
Las cookies estrictamente necesarias tiene que activarse siempre para que podamos guardar tus preferencias de ajustes de cookies.
Si desactivas esta cookie no podremos guardar tus preferencias. Esto significa que cada vez que visites esta web tendrás que activar o desactivar las cookies de nuevo.
Esta web utiliza Google Analytics para recopilar información anónima tal como el número de visitantes del sitio, o las páginas más populares.
Dejar esta cookie activa nos permite mejorar nuestra web.
¡Por favor, activa primero las cookies estrictamente necesarias para que podamos guardar tus preferencias!
Más información sobre nuestra política de cookies