Tenemos disponibles
silletas inclinables para un uso más
seguro con cargas descentradas y/o firmes
irregulares.
Disponemos de cilindros
de Aluminio
de simple efecto, RA
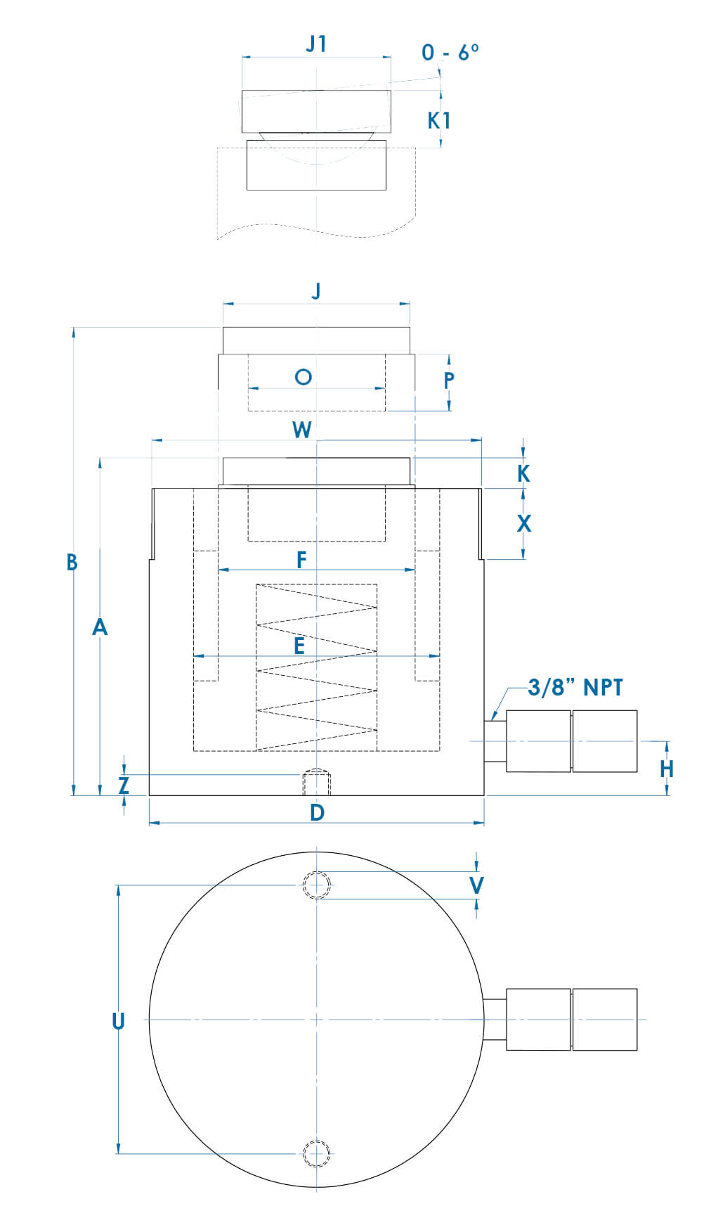
Cilindro simple Efecto
RETORNO POR MUELLE DE USO GENERAL
R
- Diseñado para usarse en cualquier posición.
- El cojinete de bronce absorbe la carga excéntrica y reduce el desgaste del cilindro.
- Todas las partes del cilindro están construidos en aleaciones de acero de alta resistencia.
- Tratamiento de nitruración en el pistón y cabeza guía que evita la corrosión y aumenta la resistencia al desgaste.
- Equipados con rascador en el pistón que reduce la contaminación y alarga la vida del cilindro.
- Disponen de una silleta ranurada y desmontable.
- Opcionalmente se pueden montar silletas inclinables.
- Roscas en collarín y embolo, así como orificios de montaje en la base de todos los cilindros para poder montar una amplia gama de accesorios.
- Con protector de rosca.
- Enchufe rápido hembra de gran caudal con guardapolvo de serie en todos los modelos.
- Los cilindros pesados están provistos de asas o cáncamos para su transporte.
- Carreras superiores bajo demanda.
